您好!欢迎来到重庆天洁彩钢板有限公司官方网站

重庆天洁彩钢板有限公司

专业生产彩钢净化板、手工板,彩钢岩棉板,机制硅岩板,玻镁板,钢质门、铝型材配件、风淋室等
24小时服务热线
023-46251586
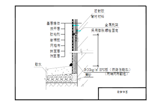
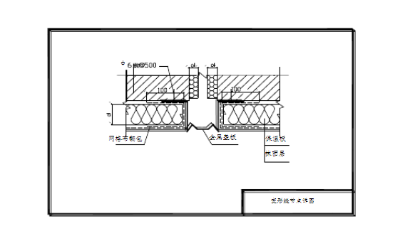
结合个体工程设计要求,图示细部处理详图,遵循的基本原则是:柔性连接,注重防水。 
(1)窗口做法详图
(2)变形缝做法详图 
(3)勒脚做法详图
(4)女儿墙详图 
当前位置:
          关于天洁
         最新新闻

重庆天洁彩钢板有限公司

联系人:徐先生

电话:023-46251586

手机:13883831016

传真:023-46251586

地址:重庆市荣昌区博耐特工业园B区,坐落于成渝地区双城经济圈内

         联系我们